
維修手冊 14-2 扭力值

總之東西差不多都到齊了,大藍快點組一組,週末可以飆飆車

取出原廠珠碗組

裝入土封,安裝前,三角台先拿去冰箱冰涼涼的,等會比較好安裝

到底

然後下珠碗座左邊這個 30mm 內徑的

抹些油,然後擺進去,目測要平行桌面,別裝歪了

然後拿舊的珠碗,也裝進去,等會敲比較不會敲受傷

拿出不要的 FZR 前叉內管

套進去剛剛好

敲敲敲

50%

敲一敲就到底了

然後把舊的珠碗取出

拿一字起子頂著,每次輕拍一下

翻面,再拍一下,正反來回多拍幾下,不用很大力
這步驟需要多一點的耐心

前後前後拍,出現溝了

然後繼續拍打

好了

下珠碗安裝完成

再來是最大的這個,應該是 55mm 外徑的那顆

拿到車

要這樣裝,斜面的部分朝下,這樣珠子才能作動

安裝前,裡面要用wd40把舊的油、灰塵擦乾淨

擦一擦

新品拍一下

跟舊的對比一下

左邊新的,右邊舊的
右邊的刻字偏外圍?

要裝了,四週抹些油

擺上去

然後拿出舊的,對著擺上去,等會要敲舊的

這個時候四週輕敲,確定進去的角度都有平均,可以感受四邊的邊緣
先敲到平即可

然後拿出軸承特工

固定好鎖入

有平行就很順的進去
輕輕鎖就一直平平的推進去

裝到底後,用一字起子翹一下把舊珠碗取下

順利裝入

然後換上面

WD40 跟 布 擦乾淨

這是上珠碗組

原廠品刻字很清晰,軸承看起來很精準的感覺

這個感覺

跟舊品比較

右邊的舊品似乎是副廠的,刻字模糊
這種難拆的部分,確實還是買原廠件會比較安心些

字糊糊的

清晰字

準備安裝

抹油

珠碗放入

舊的蓋上去,用鐵鎚四週慢慢敲

先敲平即可

確定平整後,再用特工拉進去

到底了

到底的感覺

一字翹一下

這樣翹,很容易翹出來

安裝 OK

抹牛油

入珠~~

各種抹

上珠巢

蓋

然後下面也各種抹油

裝入珠珠

繼續抹好抹滿

底部也抹一些

要合體了,上面的土封跟蓋子要準備好

插入

穿過

再抹一些

蓋上土封

把多的油擦掉,然後鎖上上蓋

羽山只有傳統勾扳,如果有專用特工,要鎖到 20NM
珠碗通常都是先用力鎖,鎖到過緊,然後放鬆
接著再鎖到緊跟鬆之間,稍偏一些些緊即可

珠碗鎖好了

防鬆墊片裝入,三個朝下,一個等會朝上

上蓋鎖入,對鎖,緊到剛好有對到朝上的就扣上

然後這個 30mm 螺帽

把上三角台擦一擦

鎖上螺帽,先含著就好,不用鎖緊

H.I.S.S 錀匙感應器裝上
錀匙插進去後能不能使用,就是從這讀出錀匙的 RFID ?
這算是 RFID 嗎 ? 之後再來研究看看

固定的十字螺絲換成 M5 20mm 內六角

上螺絲膠,5nm 鎖入

然後換鎖頭,灰塵用布擦一擦

快滑掉的螺絲換新 M8x20mm 上螺絲膠

鎖上,M8 這個地方應該 14nm 即可

接著換前叉嘍~WD40+布擦一擦

插入,注意油門線跟把手開關的電線

手把的地方有個防呆的扣點,插進去往上推到底
羽山這支前叉好像少了手把固定的 C 環 :(

卡鉗的油管也照原本的位置繞一下

上扭力鎖緊
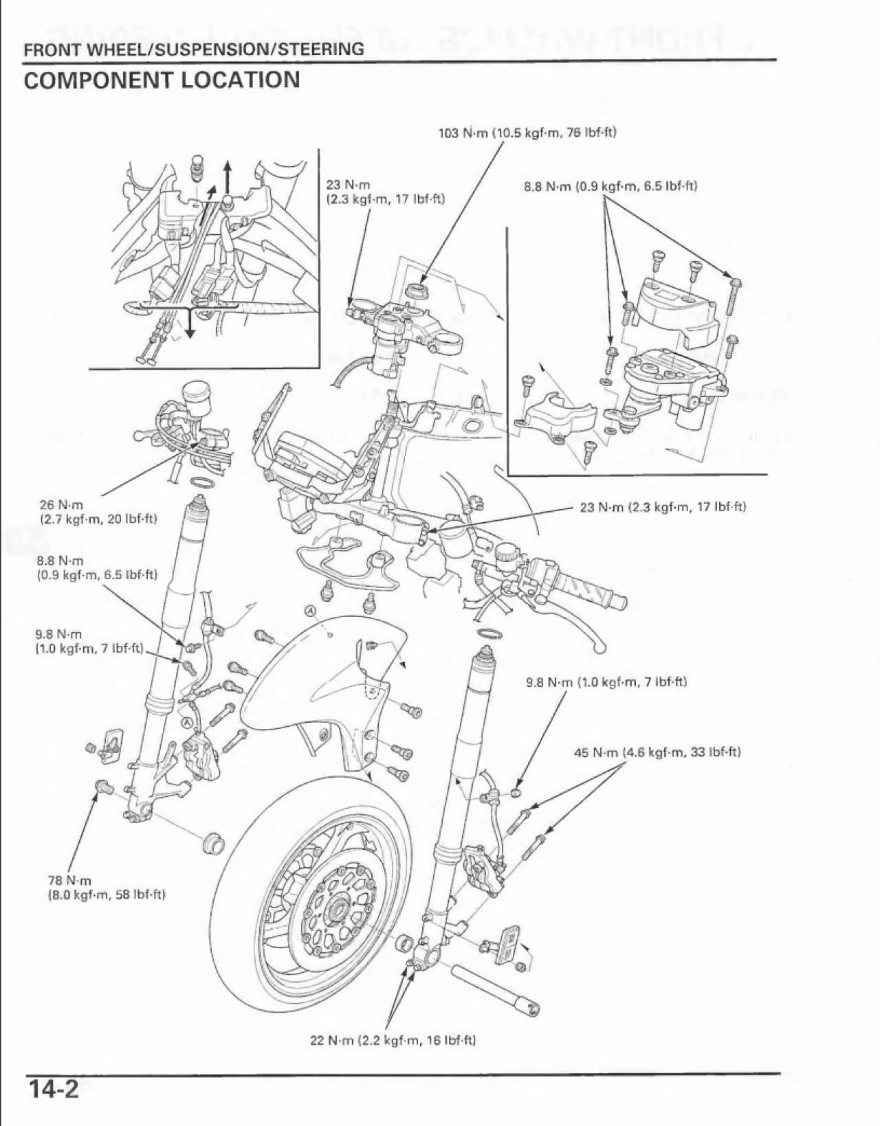
上三角台左右二邊的 M8 螺絲,23NM
然後手把螺絲往上推到洞,鎖 26NM
中間 30mm 螺帽鎖緊 103NM 好高啊...
下三角台的二邊共四支 23NM
手冊 (14-33)

前叉凸起的位置,蓋子的地方凸出
如果前叉蓋要打開檢查油,這裡扭力是 34nm (手冊 14-33)

上三角台鎖 23NM,手把鎖 26NM

二邊都鎖好後,中間這個, 103NM 好怕~

下三角台 23NM

前叉鎖好了厚
羽山個人鎖前叉的習慣是~前叉插入下三角台,往上推到位後
下三角台螺絲先鎖上(含住就好),這樣前叉比較不會一直動
然後上三角台鎖前叉的 M8 鎖上 23NM
手把往上推到洞,手把螺絲鎖上 26NM
二邊前叉都作好後,下三角台的螺絲放鬆
然後三角台中心的螺帽鎖到 103NM
最後再鎖下三角台的 23NM
下三角台的螺絲最後才鎖,也許鎖軸心時可能造成上、下三角台間距變化
這樣可消除應力~吧

檢查前輪軸承,手進去感受一下~
沒間隙,還算滑順,倒一些機油進去軸承跟油封之間,增加一些些潤滑

軸承看起來還算正常,就不換了

襯套裝回,逆胎紋的 S22 確認輪胎旋轉方向後擺進去

軸心擦一擦

抹一些油

插入軸心,這個龍門的高度真完美,連抬輪胎都不用,一穿就到底

前輪到位

側邊的輪胎螺帽 22mm

前輪軸心螺絲,78NM 催下去

然後這二支 12mm 螺絲 22NM
手邊的 M8 45mm 白鐵用完了,之後有補再換吧~

換右邊

鎖鎖鎖 22NM 咔

夜深了,今晚先這樣吧

桌子收拾~

星期四晚上測試一下,發現車頭碼表的插頭如果沒插,車子是無法發動
打開電門後,沒有汽油泵的聲音
插上表碼插頭後再打開電門,汽油泵就吱~~~可以正常的發動了