訓練家的相簿


The legend of trainer's photos


相簿總覽 

訓練家的相簿系統->重要資訊 【合計:2】
內容說明:重要資訊 瀏覽人數: 1772

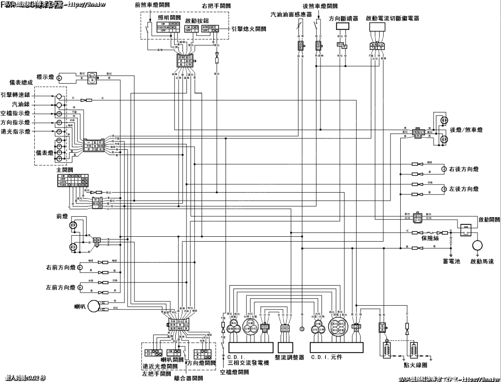
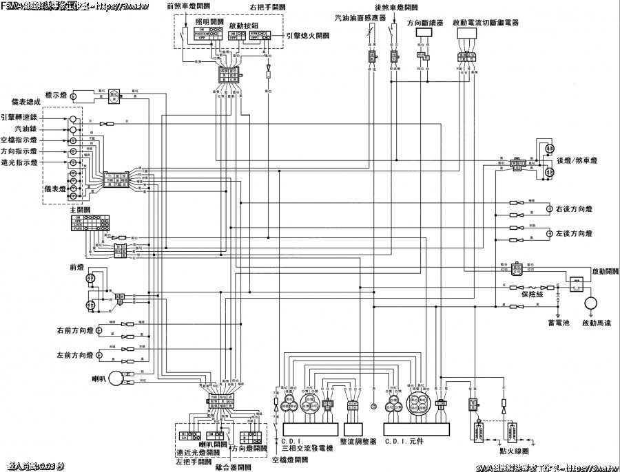
FZR電路圖
 


FZR電路圖

【第1張】
 

下一張



縮圖專用網址: http://sunnyriver.3wa.tw/photo/small.php?w_size=450&compassion=60&file_name=users/shadow/1530065265_1.png 複製   檢視
放大細緻輸出網址: http://sunnyriver.3wa.tw/photo/small.php?w_size=1024&compassion=90&file_name=users/shadow/1530065265_1.png 複製   檢視

上傳者: 羽山
上傳日期: 2018年06月27
上傳時間: 10:08:24