訓練家的相簿


The legend of trainer's photos


相簿總覽 

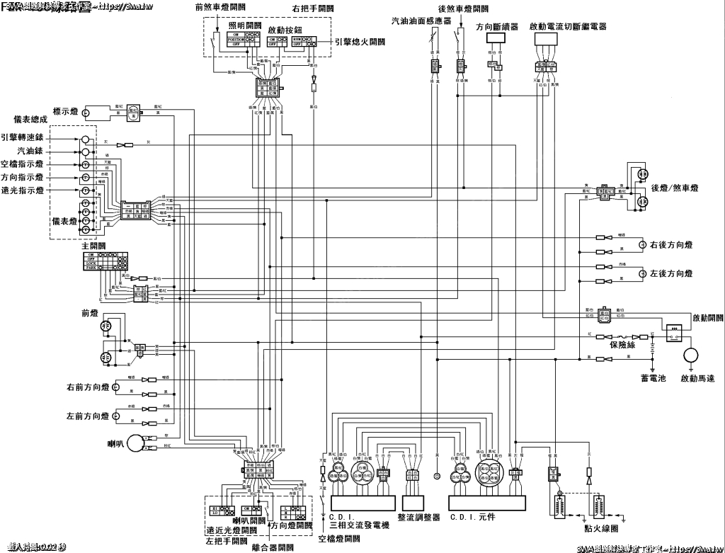
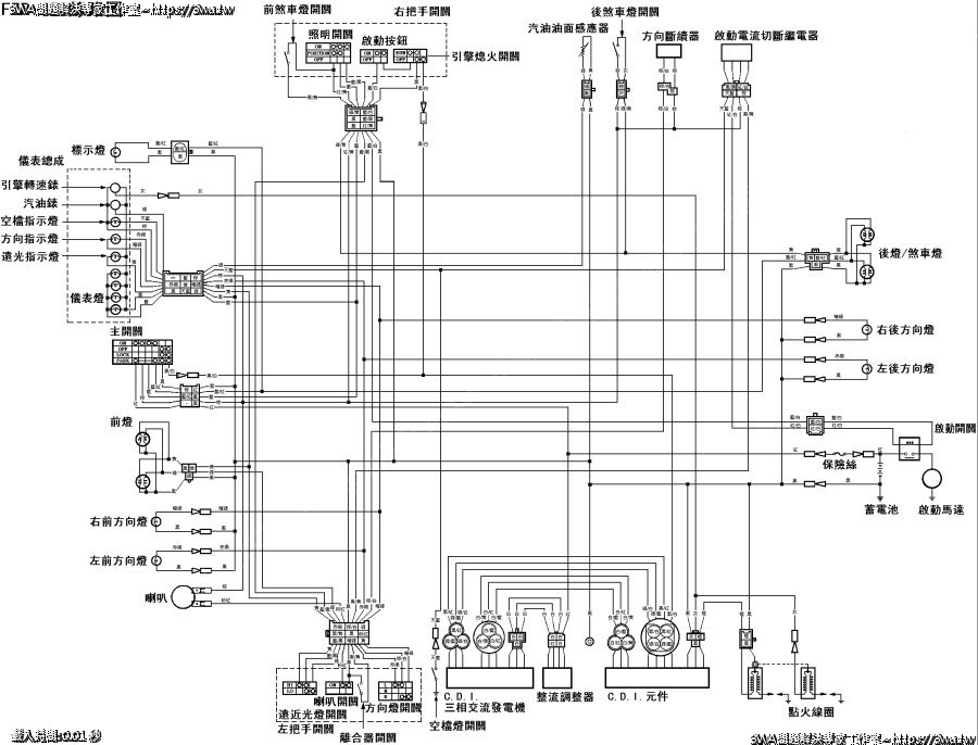
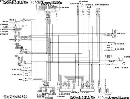
訓練家的相簿系統->工具 【合計:373】
內容說明:工具 瀏覽人數: 888


 

上一張


  




【第207張】
 

下一張


  


縮圖專用網址: http://sunnyriver.3wa.tw/photo/small.php?w_size=450&compassion=60&file_name=users/shadow/1530063884_1.png 複製   檢視
放大細緻輸出網址: http://sunnyriver.3wa.tw/photo/small.php?w_size=1024&compassion=90&file_name=users/shadow/1530063884_1.png 複製   檢視

上傳者: 羽山
上傳日期: 2023年07月03
上傳時間: 12:28:45